Koncová svorka H30 Hliník 6060 Otvor M8 lakovaný

Dostupnost: Skladem (velké množství)
Doručení do: 6 dny
Hmotnost: 0.02 kg
Cena s DPH / ks.: 10,11 Kč
vč. 21% DPH, bez nákladů na dopravu
10.11
Cena bez DPH / ks.: 8,33 Kč
bez 21% DPH, bez nákladů na dopravu

discount mark
Ušetřete více peněz díky větším obalům!
Čím větší balení, tím nižší jednotková cena!
discount tip




množství ks.

produkt nedostupný

přidat do seznamu přání
* - Pole povinné
Visa Mastercard Google Pay Apple Pay PayPal Bank Transfer
Hodnocení: 5
Prodejce: Synerga
Kód produktu: PV-03-30

Popis

Koncová svorka H30 Hliník 6060 Otvor M8 lakovaný

Dostupné velikosti

Koncová svorka H30 hliník 6060 M8 s otvorem lakovaným pro montáž fotovoltaických panelů.

Středová svorka je upevňovací prvek pro fotovoltaické systémy a slouží k upevnění fotovoltaického modulu k hliníkovému konstrukčnímu profilu. Používá se k montáži fotovoltaických panelů na ploché i šikmé střechy.

Je vyroben z vysoce kvalitního hliníku 6060, díky čemuž se vyznačuje vysokou odolností proti povětrnostním vlivům. Vysoká kvalita zpracování zaručuje trvalé upevnění konstrukce fotovoltaického modulu. Lakování rovněž zlepšuje životnost komponentu tím, že zvyšuje jeho odolnost vůči vlivům prostředí.

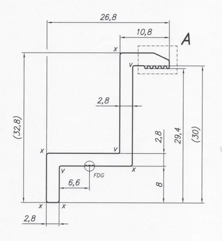
Nejdůležitějším technologickým parametrem svorky je její pracovní výška, která se musí shodovat s výškou instalovaného fotovoltaického panelu. Krimpovací nástroj H30 má pracovní výšku vhodnou pro desku o tloušťce 30 mm, krimpovací nástroj H35 pro desku o tloušťce 35 mm atd.

Zkontrolujte, zda tloušťka panelu odpovídá výšce upnutí.

Svorka je kompatibilní s následujícími montážními profily:

  • Hliníkové profily pro šestihranné šrouby.
  • Hliníkové profily pro T-šrouby
  • Trapézové profily pro střechy z trapézového plechu.

Specifikace

  • Materiál: Hliník lakovaný 6060
  • Délka: délka: 50 mm
  • Výška: 30 mm
  • Tloušťka: 3 mm
  • Díra: M8
  • Barva: Černá

Dostupné velikosti

Výška [mm]
Délka [mm]
 
30
50
next arrow image
32
50
next arrow image

Vlastnosti hliníku 6060

  • Odolnost vůči korozi a vnějším vlivům.
  • Dobrá mechanická odolnost, odolnost proti nárazu.

Technické údaje

Typ svorky Krajní
Tloušťka panelu [mm] 30
Barva Černá
Zemnící kolík Ne
Příslušenství Bez příslušenství

Bezpečnost

Související produkty

nahoru
×

VAT ID not verified in VIES!

Zobrazit plnou verzi webu
Sklep internetowy Shoper.pl